-
Graafwerktuig Hydraulic Pump
-
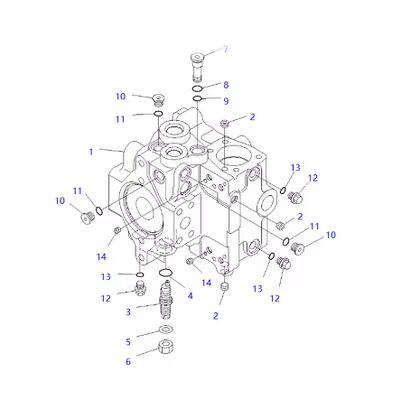
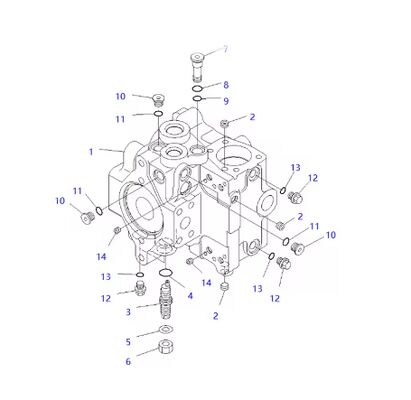
Graafwerktuig Main Control Valve
-
Graafwerktuig definitieve aandrijving
-
Graafwerktuig Swing Gearbox
-
Hydraulische ventilatorpomp
-
Hydraulische pomp onderdelen
-
KAWASAK Hydraulic Pump
-
Graafwerktuig Travel Motor
-
hydraulische reparatieuitrusting
-
Hydraulische overloopklep
-
Hydraulische elektromagnetische klep
-
Graafmachine pilot pomp
-
Graafwerktuig Engine
-
JoseIk hou van dit bedrijf. Ze zijn professioneel en vriendelijk. Uitstekende service en vriendelijk advies, snelle levering. Zeer goede prijs. Ik wil opnieuw bestellen als ik het nodig heb. -
Lauren MelvilleUitstekende service, kwaliteit product. -
Sanёк НижегородскийManagement service, snel begin met de rondleiding. -
Erdenetumur KampanaEen prettige boodschap.
Komatsu WA50-6 Wiellader Hydraulische Werkpomp 720-1B-00120 720-1B-00021 720-1B-00020 | Vervangende Pomp
| Productnaam | WA50-6 | Toepasselijk machinemodel | Hydraulische werkpomp 720-1B-00120 720-1B-00021 720-1B-00020 |
|---|---|---|---|
| Toepasselijke industrieën | Mechanische reparatiewerkplaatsen, detailhandel, bouw, energie, mijnbouw | TQCATegorie | Hydraulische werkpomp |
| Voorwaarde | NIEUW/HERBOUWD | Merk | IJZEREN CAVALRIE |
| SpecifiTQTQCATie | Details |
|---|---|
| Model | Komatsu WA50-6 |
| TQTQCATegorie | Werkpomp |
| Merk | IRON CAVALRY |
| Plaats van herkomst | CHINA |
| Staat | Origineel & OEM |
| Garantie | 12 maanden |
| MOQ | 1 stuk |
| Productiecapaciteit | 1000 stuks /Maand |
| Standaard of niet-standaard | Standaard |
| Betalingstermijn | L/C, T/T, Western Union, Tradeassurance |
| Levertijd | 3-7 dagen (afhankelijk van bestelling) |
| Vervoermiddelen | Over zee, lucht of DHL/FEDEX/TNT/EMS |
![]()
-
Belangrijkste Functies & Voordelen
- Stuurt Kernlader Operaties
Levert betrouwbare hydraulische kracht voor het heffen van de giek, het kantelen van de bak, het dumpen en het sturen, wat zorgt voor een soepele en responsieve controle bij dagelijks werk.
- Stabiele Stroom & Consistente Druk
Handhaaft een stabiele olie-output en werkdruk om vertraging, schokken of zwakke bewegingen te elimineren, waardoor de operationele precisie aanzienlijk wordt verbeterd.
- Perfecte OEM-compatibiliteit
Directe vervanging van Komatsu originele onderdeelnummers 720-1B-00120, 720-1B-00021, 720-1B-00020; geen aanpassingen nodig voor snelle installatie.
- Stuurt Kernlader Operaties
Gebruik voor optimale prestaties en levensduur originele hydraulische olie met een reinheidsniveau van NAS 7. Regelmatige onderhoudscontroles moeten het monitoren van de olietemperatuur, drukpulstaties en componentenslijtage omvatten. In geval van een storing in het hydraulische systeem, neem contact op met gekwalificeerde professionele technici voor inspectie of neem contact op met ons technische ondersteuningsteam voor hulp bij het oplossen van problemen. Vermijd onjuiste reparaties om extra schade te voorkomen en operationele veiligheid te garanderen.
Guangzhou Tieqi Engineering Machinery Co., Ltd. ("IRON CAVALRY") is strategisch gelegen in het Huangpu District van Guangzhou, ongeveer een uur van Baiyun International Airport. Met bijna 15 jaar gespecialiseerde ervaring in hydrauliek voor bouwmachines, hebben we ons gevestigd als marktleiders in componenten voor zware machines.
- Klaar voorraad van meer dan 500 assemblagetypes, met toegang tot meer dan 6.000 verschillende onderdelen
- Kernproducten omvatten hydraulische pompen, regelkleppen, rij- en zwenkaggregaten
- Specialisatie in componenten voor grote mijnbouwgraafmachines en moeilijk te vinden artikelen
- 4.000 vierkante meter fabriek uitgerust voor professionele productie, precisieassemblage en strenge tests
- Geïntegreerde toeleveringsketen die kosteneffectieve, handige one-stop-oplossingen biedt
Voor grote items gebruiken we stevige multiplexkisten die met metalen bevestigingen zijn vastgezet. Producten worden zorgvuldig opgevuld met bubbeltjesplastic en vastgezet met houten steunen. Externe versterking van de kist omvat hoogwaardige PET-plastic banden en waterdichte zwarte folie om veilig transport en levering te garanderen.
- One-stop oplossing voor al uw hydraulische behoeften
- Hoogwaardige producten tegen concurrerende prijzen
- Uitzonderlijke klantenservice waardoor u zich thuis voelt
- Grote voorraad met korte levertijden en lange garantieperiodes
- Professionele expertise met nauwkeurige gegevens voor aanvragen van graafmachineonderdeelnummers
- Mogelijkheid om onderdelen te leveren voor bijna al uw apparatuurbehoeften
Voor gedetailleerde specifiTQTQCATies, prijsinformatie of technische consultatie, neem contact op met ons verkoopteam voor persoonlijke assistentie.

